亚洲三级黄I96视频在线I免费视频三区Iav最新资源I日日操天天射I国产色视频网站

廣州佳環電器科技有限公司 服務熱線電話:020-62112919
聯系人:孔小姐:15918435773
 

 

行業資訊 首頁 > 行業資訊 > 行業新聞
廣州佳環臭氧發生器廠家與食品廠合作案例
2017-09-19 17:25:30

廣州佳環電器科技有限公司

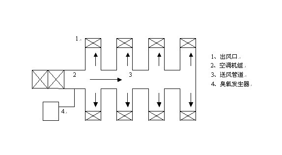
作為廣州佳環的忠實用戶,廣州粒粒香,廣州果子食品廠有限公司,錦輝食品廠,廣州市唯健食品廠有限公司,廣州市美味王食品廠,在我司采購了一批臭氧發生器設備,應用于潔凈車間消毒殺菌,我司臺空氣源150g/h臭氧發生器,200g/h臭氧發生器,300g/h臭氧發生器,50g/h臭氧發生器設備采用現場提供的空氣源,為各車間消毒殺菌;目前,目前設備已運行數月,驗收完成。

現場圖:有需要的可以聯系廣州佳環電器科技有限公司梁工13423669756

食品廠潔凈車間消毒臭氧發生器
食品廠潔凈車間消毒臭氧發生器
食品廠潔凈車間消毒臭氧發生器

食品廠潔凈車間消毒臭氧發生器

 
上一條:全國制藥廠于我們合作最佳選擇 下一條:制藥廠廢水處理,臭氧發生器1.5KG
返回
     

CopyRight ? 2014 廣州佳環電器科技有限公司
備案號: 粵ICP備13019849號-3 技術支持: 道洋網絡
    
廣州佳環電器科技有限公司
電 話:020-62112919   傳 真: 86 020 36406483
銷售熱線:孔小姐:15918435773
地 址: 廣東省廣州市白云區人和鎮東華工業區華隆路2號
郵 箱:2355859219@qq.com